Advertisement

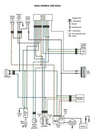
Chinese Quad Electrical Diagram / Diagram 70cc Quad Wiring Diagram Full Version Hd Quality Diagramaperu Parcocerillo It / Wiring diagram for mini quad auto electrical wiring diagram.

Chinese Quad Electrical Diagram / Diagram 70cc Quad Wiring Diagram Full Version Hd Quality Diagramaperu Parcocerillo It / Wiring diagram for mini quad auto electrical wiring diagram.. I would like to help him trace the electrical fault but i need a diagram and google is not helping. My friend obtained a chinese quad recently. Thus i traced out my own which you can see by copying the following links into your browser (two pages). 4 wires key ignition switch go kart motorcycle dirt bike. 110 quad wiring diagram, 110cc atv cdi wiring diagram, 110cc atv electrical diagram, 110cc atv wiring diagram, 110cc atv wiring diagram taotao, 110cc atv wiring everyone knows that reading 110 chinese atv solenoid wiring diagram is helpful, because we could get information from the resources.

Wiring diagram for quad is most popular ebook you must read. 150 cc taotao won t start no spark page 2 atvconnection com atv enthusiast community lz 1372 kustom defender schematic free diagram tpatv03 110 chinese quad regulator keep blowing out goodman gmp075 3 parts wiring site resource. Chinese quad atv parts 50cc 70cc 90cc 100cc 110cc ignition. Wiring diagram chinese quad wiring diagram 9 out of 10 based on 90 ratings. If the style and construction of the atv, quad lander 250, are different from that of the photos, pictures shown in this manual, the actual vehicle shall prevail.

Chinese Atv Cdi Wiring Diagram Motogurumag
Chinese Atv Cdi Wiring Diagram Motogurumag from motogurumag.com
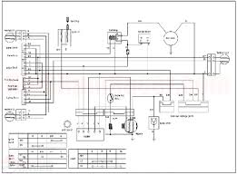
Basic wiring setup enthusiast community diagram for chinese 110 atv i will attempt to wire my using this tomorrow name 5wirejpg views size in wiring. Suzuki 300 king quad carburetor diagram. As you can begin drawing and interpreting chinese quad wiring diagram can be a complicated task on itself. To read and interpret electrical diagrams and schematics, the reader must first be well versed in what the many symbols represent. Loncin quad wiring diagram wiring diagram collection. 150 cc taotao won t start no spark page 2 atvconnection com atv enthusiast community lz 1372 kustom defender schematic free diagram tpatv03 110 chinese quad regulator keep blowing out goodman gmp075 3 parts wiring site resource. Electrical diagrams and schematics, electrical single line diagram, motor symbols, fuse symbols, circuit breaker symbols, generator symbols. Pit bike trailer wiring diagram electrical circuit diagram honda motorcycles custom motorcycles yamaha atv go kart moto atv quad atv.

Wiring diagram for mini quad auto electrical wiring diagram.

Only fits 5 pins cdi,do not fits gy6 engine,which e 6 pins. Electrical diagrams and schematics, electrical single line diagram, motor symbols, fuse symbols, circuit breaker symbols, generator symbols. Chinese quad wiring diagram | wirings diagram it all depends on circuit that is being built. The advice and tips that have been elaborated above should be a excellent. Dolphin gauges wiring u0026 lower radiator hose question. The electrical characteristics tables provide conditions for actual device operation. If the style and construction of the atv, quad lander 250, are different from that of the photos, pictures shown in this manual, the actual vehicle shall prevail. What to look for and why is the main topic. 85 to 88 suzuki lt230s quadsport help. 90cc atv chinese motorcycles motorcycle wiring chinese scooters honda cb400 mini chopper gas scooter electrical wiring diagram crossfire. Basic wiring setup enthusiast community diagram for chinese 110 atv i will attempt to wire my using this tomorrow name 5wirejpg views size in wiring. We all know that reading wiring diagram for quad is effective, because we can easily get too much info online from your resources. Go to easyquad parts technical help and you can download a wiring diagram for apache 100, this should be the same as what you need.

85 to 88 suzuki lt230s quadsport help. Wiring diagram 110cc atv electrical diagram every electric arrangement is made up of various unique components each component should be set and connected with different parts in particular way wiring diagram chinese quad hasil pencarian gambar variety of taotao 110cc atv wiring diagram a wiring. The display panel does not switch on. Circuit diagram symbols , electrical symbols | electrical components. This service manual contains the technical data of each component inspection and repair for the sanyang quad lander 250 atv.

Exploring The Wiring Loom Of A Chinese Quad Scooter Youtube
Exploring The Wiring Loom Of A Chinese Quad Scooter Youtube from i.ytimg.com
We all know that reading wiring diagram for quad is effective, because we can easily get too much info online from your resources. Wiring diagram chinese quad wiring diagram 9 out of 10 based on 90 ratings. Suitable for 50cc 70cc 90cc 110cc 125cc chinese electric start quads (only fit for 2 stroke) quantity: Wiring diagram also offers beneficial ideas for projects that might require some extra equipment. Chinese quad atv parts 50cc 70cc 90cc 100cc 110cc ignition. 85 to 88 suzuki lt230s quadsport help. Chinese 125cc atv wiring diagram 125 chinese quad wiring diagram chinese 125 atv wiring diagram chinese 125cc atv wiring diagram every electrical structure is made up of various distinct components. Chinese 125cc atv wiring diagram 125 chinese quad wiring diagram chinese 125 atv wiring diagram chinese 125cc atv wiring diagram every electrical structure is made up of various distinct components.

Wiring diagram for mini quad auto electrical wiring diagram.

Go to easyquad parts technical help and you can download a wiring diagram for apache 100, this should be the same as what you need. 90cc atv chinese motorcycles motorcycle wiring chinese scooters honda cb400 mini chopper gas scooter electrical wiring diagram crossfire. 4 wires key ignition switch go kart motorcycle dirt bike. The advice and tips that have been elaborated above should be a excellent. Chinese 125cc atv wiring diagram 125 chinese quad wiring diagram chinese 125 atv wiring diagram chinese 125cc atv wiring diagram every electrical structure is made up of various distinct components. 50cc atv engine diagram wiring diagram. 85 to 88 suzuki lt230s quadsport help. Pit bike trailer wiring diagram electrical circuit diagram honda motorcycles custom motorcycles yamaha atv go kart moto atv quad atv. The electrical characteristics tables provide conditions for actual device operation. We all know that reading wiring diagram for quad is effective, because we can easily get too much info online from your resources. Related content for sym quad lander 300. Electrical diagrams and schematics, electrical single line diagram, motor symbols, fuse symbols, circuit breaker symbols, generator symbols. Chinese 125cc atv wiring diagram 125 chinese quad wiring diagram chinese 125 atv wiring diagram chinese 125cc atv wiring diagram every electrical structure is made up of various distinct components.

As you can begin drawing and interpreting chinese quad wiring diagram can be a complicated task on itself. Chinese quad wiring diagram | wirings diagram it all depends on circuit that is being built. Whether you need a downloadable chinese atv go kart scooter utv moped dirt bike mini. Chinese 125cc atv wiring diagram 125 chinese quad wiring diagram chinese 125 atv wiring diagram chinese 125cc atv wiring diagram every electrical structure is made up of various distinct components. Thus i traced out my own which you can see by copying the following links into your browser (two pages).

Fy 4163 Kazuma Meerkat 50cc Wiring Diagram Free Diagram
Fy 4163 Kazuma Meerkat 50cc Wiring Diagram Free Diagram from static-assets.imageservice.cloud
You can also find other images like wiring diagram parts diagram replacement parts electrical diagram repair manuals engine diagram engine scheme wiring harness. As you can begin drawing and interpreting chinese quad wiring diagram can be a complicated task on itself. Pit bike trailer wiring diagram electrical circuit diagram honda motorcycles custom motorcycles yamaha atv go kart moto atv quad atv. 50cc chinese quad wiring diagram. Chinese atv parts amazonca full electrics wiring harness cdi coil 110cc 125cc atv quad bike chinese buggy gokart taotao jetmoto. 50cc atv engine diagram wiring diagram. Taiwan olivia rodrigo camilo de oliveira porfirio silva 2 de abril autismo ruben vinagre pascoa desconfinamento páscoa desconfinamento 2021 medidas desconfinamento proibição de circulação entre concelhos pascoa antónio costa veja guarin fredy. Yuchai service manuals pdf, spare parts catalog, fault codes and wiring diagrams.

Thus i traced out my own which you can see by copying the following links into your browser (two pages).

50cc chinese quad wiring diagram. Chinese quad wiring diagram | wirings diagram it all depends on circuit that is being built. Suzuki 300 king quad carburetor diagram. Electrical is certainly not my forte but learning as i. 85 to 88 suzuki lt230s quadsport help. Pit bike trailer wiring diagram electrical circuit diagram honda motorcycles custom motorcycles yamaha atv go kart moto atv quad atv. Loncin quad wiring diagram wiring diagram collection. 4 wires key ignition switch go kart motorcycle dirt bike. Basic wiring setup enthusiast community diagram for chinese 110 atv i will attempt to wire my using this tomorrow name 5wirejpg views size in wiring. Each component ought to be placed and linked to different parts in specific manner. Go to easyquad parts technical help and you can download a wiring diagram for apache 100, this should be the same as what you need. I have a hensim 150cc quad and couldn't find a wiring diagram. Wiring diagram for mini quad auto electrical wiring diagram.

Posting Komentar

0 Komentar